اطلب الآن: 01005739646
شحن مجاني للطلبات فوق 500 جنيه
خصم 10% على أول طلب
الرئيسية
المنتجات
ماركات السيارات
اتصل بنا
القائمة
الرئيسية
المنتجات
ماركات السيارات
اتصل بنا
الرئيسية
الاصناف
جميع المواتير
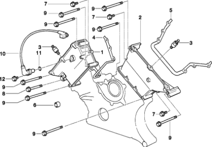
جوان وش تقسيمة (علوى)
جديد
جميع المواتير
جوان وش تقسيمة (علوى)
هذا المنتج متوفر من عدة علامات تجارية. اختر الأنسب لك أدناه.
العلامات التجارية والأسعار المتاحة
ELRING
تواصل مع خدمة العملاء
VICTOR REINZ
تواصل مع خدمة العملاء
الضمان
ضمان كامل لمدة سنة
الشحن
توصيل سريع خلال 24 ساعة
الإرجاع
إرجاع مجاني خلال 14 يومًا
الدفع
الدفع عند الاستلام متاح
نقبل:
الوصف
التوافق
وصف المنتج
لا يوجد وصف متاح.
السيارات المتوافقة
5 SERIES (E39) LCI
7 SERIES (E38)
X5 (E53)
5 SERIES (E39)
يتم شراؤها معًا عادةً
جوان وش تقسيمة M62
أضف إلى الباقة
عرض الباقة
أكمل طلبك بهذه القطع المتوافقة!
3
الأصناف
تم الاختيار
إضافة الباقة إلى السلة
واتساب