اطلب الآن: 01005739646
شحن مجاني للطلبات فوق 500 جنيه
خصم 10% على أول طلب
الرئيسية
المنتجات
ماركات السيارات
اتصل بنا
القائمة
الرئيسية
المنتجات
ماركات السيارات
اتصل بنا
الرئيسية
الاصناف
جميع المواتير
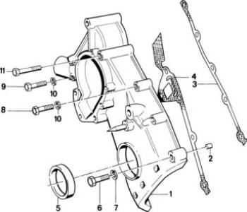
اويل سيل كرنك
جديد
جميع المواتير
اويل سيل كرنك
هذا المنتج متوفر من عدة علامات تجارية. اختر الأنسب لك أدناه.
العلامات التجارية والأسعار المتاحة
VICTOR REINZ
تواصل مع خدمة العملاء
SO GIANT
تواصل مع خدمة العملاء
الضمان
ضمان كامل لمدة سنة
الشحن
توصيل سريع خلال 24 ساعة
الإرجاع
إرجاع مجاني خلال 14 يومًا
الدفع
الدفع عند الاستلام متاح
نقبل:
الوصف
التوافق
وصف المنتج
لا يوجد وصف متاح.
السيارات المتوافقة
3 SERIES (E30)
3 SERIES (E36)
3 SERIES (E46)
5 SERIES (E34)
واتساب