اطلب الآن: 01005739646
شحن مجاني للطلبات فوق 500 جنيه
خصم 10% على أول طلب
الرئيسية
المنتجات
ماركات السيارات
اتصل بنا
القائمة
الرئيسية
المنتجات
ماركات السيارات
اتصل بنا
الرئيسية
الاصناف
جميع المواتير
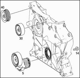
بكرة شدادة سير M270 M274
جديد
جميع المواتير
بكرة شدادة سير M270 M274
هذا المنتج متوفر من عدة علامات تجارية. اختر الأنسب لك أدناه.
العلامات التجارية والأسعار المتاحة
MERCEDES-BENZ
تواصل مع خدمة العملاء
MTOUR
تواصل مع خدمة العملاء
OPTIMAL
تواصل مع خدمة العملاء
BMTSR
تواصل مع خدمة العملاء
BST
تواصل مع خدمة العملاء
GATES
تواصل مع خدمة العملاء
INA
تواصل مع خدمة العملاء
FEBI
تواصل مع خدمة العملاء
الضمان
ضمان كامل لمدة سنة
الشحن
توصيل سريع خلال 24 ساعة
الإرجاع
إرجاع مجاني خلال 14 يومًا
الدفع
الدفع عند الاستلام متاح
نقبل:
الوصف
التوافق
وصف المنتج
لا يوجد وصف متاح.
السيارات المتوافقة
C-CLASS (W204)
E-CLASS (W212)
C-CLASS (W205)
E-CLASS (W213)
CLS (C219)
E-CLASS (W212) LCI
C-CLASS (W204) LCI
C-CLASS (W205) LCI
CLA Coupe (C118)
A-CLASS (W177) -Hatchback-
E-CLASS Coupe (C207)
SLC/SLK (R172)
A-CLASS (W177) -Saloon-
B-CLASS Sports Tourer (W247)
GLA-CLASS (H247)
GLB-CLASS (X247)
E-CLASS (W213) LCI
E-CLASS Coupe (C238)
GLC (X253,C253)
GLK-CLASS (X204) LCI
يتم شراؤها معًا عادةً
سير دينمو 6PK2315
أضف إلى الباقة
بكرة شدادة سير (ثابتة)
أضف إلى الباقة
عرض الباقة
أكمل طلبك بهذه القطع المتوافقة!
3
الأصناف
تم الاختيار
إضافة الباقة إلى السلة